



◆產品結構特點
德標卡套式軟密封旋塞閥適用于公稱壓力PN1.6-16MPa,工作溫度-29-180℃的石油、化工、制藥、化肥、電力行業等各種工況的管路上,切斷或接通管路介質。
◆其主要結構特點
1、產品結構合理、密封可靠、性能優良、造型美觀。
2、它的密封性是通過卡套四周的密封面來實現的。獨特的360°金屬唇邊保護固定卡套。
3、閥門沒有空腔給介質積聚。
4、金屬唇邊在旋塞轉時提供自潔的作用,適合于粘稠和易結垢的工況。
5、雙向流動,安裝使用更方便。
6、零件材質及法蘭尺寸可根據實際工況或用戶要求合理選配,滿足各種工程需要。
◆技術規范
| 結構形式 | BC |
| 驅動方式 | 手柄,蝸輪蝸桿傳動,氣動,電動 |
| 設計標準 | API599,API6D |
| 結構長度 | DIN 3202F1 |
| 連接法蘭 | DIN 2543-2549 |
| 試驗和檢驗 | DIN3230 |
注:閥門連接法蘭尺寸可根據用戶要求設計制造。
◆產品性能規范
| 公稱壓力(MPa) | 殼體試驗壓力(MPa) | 密封試驗壓力(MPa) | 適用溫度(℃) | 使用介質 |
| 1.6 | 2.4 | 1.76 | ≤180℃ | 水、蒸汽、油品等 |
| 2.5 | 3.75 | 2.75 | ||
| 4.0 | 6.0 | 4.4 | ||
| 6.4 | 9.6 | 7.04 | ||
| 10.0 | 15.0 | 11.0 | ||
| 16.0 | 24.0 | 17.6 |
.jpg)
◆主要零部件材質
| 序號 | 名稱 | 材質 |
| 1 | 閥體 | GS-C25 1.7363 1.4308、1.4408、1.4306、1.4301 |
| 2 | 卡套 | PTFE |
| 3 | 塞子 | ASTM A182-Gr.F6a ASTM A182-F22 ASTM A182-F304,F316,F321,F304L,F316L |
| 4 | 墊片 | 柔性石墨+不銹鋼 |
| 5 | 調整墊 | ASTM A182-Gr.F6a ASTM A182-F22 ASTM A182-F304,F316,F321,F304L,F316L |
| 6 | 閥蓋 | GS-C25 1.7363 1.4308、1.4408、1.4306、1.4301 |
| 7 | 調整螺栓 | ASTM A193-B7,A320-B8,A193-B8M |
| 8 | 六角螺母 | ASTM A194-2H,A194-8,A194-8M |
| 9 | 螺栓 | ASTM A193-B7,A320-B8,A913-B8M |
| 10 | 支架 | Q235、WCB |
| 11 | 蝸輪 |
.jpg)
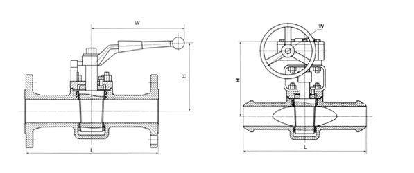
| 型號 | X43-16 | ||||||||||||||
| 壓力等級 | PN16 | ||||||||||||||
| 口徑 | 15 | 20 | 25 | 32 | 40 | 50 | 65 | 80 | 100 | 125 | 150 | 200 | 250 | 300 | 350 |
| L | 130 | 150 | 160 | 180 | 200 | 230 | 290 | 310 | 350 | 400 | 480 | 600 | 730 | 850 | 980 |
| H | 150 | 155 | 160 | 180 | 190 | 200 | 220 | 230 | 380 | 460 | 520 | 580 | 620 | 680 | 740 |
| W | 300 | 300 | 300 | 350 | 400 | 500 | 500 | 550 | 300 | 300 | 320 | 320 | 350 | 380 | 380 |
| 重量(kg) | 9 | 10 | 11 | 13 | 14 | 19 | 23 | 27 | 43 | 62 | 75 | 155 | 222 | 390 | 580 |
注:四寸及以上為蝸輪操作4"
| 型號 | X43-25 | ||||||||||||||
| 壓力等級 | PN25 | ||||||||||||||
| 口徑 | 15 | 20 | 25 | 32 | 40 | 50 | 65 | 80 | 100 | 125 | 150 | 200 | 250 | 300 | 350 |
| L | 130 | 150 | 160 | 180 | 200 | 230 | 290 | 310 | 350 | 400 | 480 | 600 | 730 | 850 | 980 |
| H | 150 | 155 | 160 | 180 | 190 | 200 | 220 | 230 | 380 | 460 | 520 | 580 | 620 | 680 | 740 |
| W | 300 | 300 | 300 | 350 | 400 | 500 | 500 | 550 | 300 | 300 | 320 | 320 | 350 | 380 | 380 |
| 重量(kg) | 10 | 11 | 13 | 15 | 17 | 22 | 31 | 55 | 77 | 88 | 190 | 190 | 235 | 399 | 630 |
注:四寸及以上為蝸輪操作4"
.jpg)
| 型號 | X43-40 | ||||||||||||||
| 壓力等級 | PN40 | ||||||||||||||
| 口徑 | 15 | 20 | 25 | 32 | 40 | 50 | 65 | 80 | 100 | 125 | 150 | 200 | 250 | 300 | 350 |
| L | 130 | 150 | 160 | 180 | 200 | 230 | 290 | 310 | 350 | 400 | 480 | 600 | 730 | 850 | 980 |
| H | 190 | 195 | 225 | 260 | 280 | 310 | 340 | 395 | 435 | 470 | 535 | 590 | 630 | 680 | 720 |
| W | 120 | 140 | 140 | 180 | 200 | 220 | 260 | 280 | 300 | 340 | 400 | 450 | 450 | 500 | 500 |
| 重量(kg) | 12 | 14 | 18 | 21 | 24 | 29 | 33 | 39 | 75 | 103 | 146 | 251 | 337 | 521 | 720 |
注:四寸及以上為蝸輪操作4"
| 型號 | X43-64 | ||||||||||||||
| 壓力等級 | PN64 | ||||||||||||||
| 口徑 | 15 | 20 | 25 | 32 | 40 | 50 | 65 | 80 | 100 | 125 | 150 | 200 | 250 | 300 | 350 |
| L | 130 | 150 | 160 | 180 | 200 | 230 | 290 | 310 | 350 | 400 | 480 | 600 | 730 | 850 | 980 |
| H | 190 | 195 | 225 | 260 | 280 | 310 | 340 | 395 | 435 | 470 | 535 | 590 | 630 | 680 | 720 |
| W | 120 | 140 | 140 | 180 | 200 | 220 | 260 | 280 | 300 | 340 | 400 | 450 | 450 | 500 | 500 |
| 重量(kg) | 14 | 17 | 22 | 25 | 29 | 34 | 43 | 50 | 94 | 123 | 170 | 291 | 430 | 625 | 875 |
注:四寸及以上為蝸輪操作4"