



一、性能規范
型號 公稱壓力PN(MPa) 試驗壓力PS(MPa) 適用介質 工作溫度(℃) 殼體試驗 密封試驗 J45J/F46-6 0.6 0.9 0.66 W.非腐蝕性流體 ≤80 J45J/F46-10 1.0 1.5 1.1
J.一般腐蝕性流體
FS.強酸堿及各種有機溶劑(溶融堿金屬及元素氟除外)
≤150
二、主要零部件材料表
零件名稱 閥體、閥瓣 閥蓋 閥桿、閥瓣 手輪廓 材料 HT200襯氟塑料、襯橡膠 HT200襯氟塑料、襯橡膠 35襯氟塑料襯橡膠 HT200
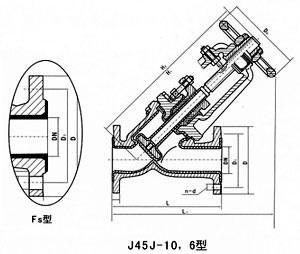
三、主要連接尺寸及重量
型號 公稱通徑DN(mm) 尺寸(mm) 質量(kg) L D D1 D H1 b Do n-d 5 160 100 75 60 205 16 120 4-11 4.5 32 200 120 90 70 - 16 160 4-13.5 13 130 100 80 250 16 160 4-13.5 14 50 230 140 110 90 290 16 160 4-13.5 16.5 65 290 160 130 100 310 16 180 4-13.5 80 310 190 150 125 358 18 200 4-17.5 36 210 170 145 428 18 200 4-17.5 50 125 400 240 200 175 510 20 280 8-17.5 68 150 480 265 225 200 550 20 280 8-17.5 90 200 600 30 280 255 635 22 400 8-17.5 146 250 730 375 335 312 24 12-.17.5
.jpg)