



氣動截止閥主要用途
本閥采用雙作用氣缸,利用上腔進氣或者下腔進氣來遠距離控制閥門,操作方便、靈活。氣缸使用介質:壓縮空氣,氮氣。結構簡單、制造和維護方便;工作行程小,啟閉時間短;關閉體(閥瓣)與閥座密封面采用錐面密封,關閉力小,耐沖刷,密封可靠。閥座可為更換式閥座,可任意組合與關閉件密封面材料的配對,以滿足工況要求,延長使用壽命
應用規范


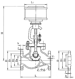
主要外形尺寸、連接尺寸及質量
|
公稱壓力
PN(MPa) |
公稱通徑
DN(mm) |
標準值
|
參考值
|
|||||||||
|
L
|
D
|
D1
|
n2
|
D6
|
b
|
f
|
f1
|
Z-φd
|
L1
|
H
|
||
|
1.6
|
50
|
230
|
160
|
125
|
100
|
|
16
|
3
|
|
4-φ18
|
185
|
645
|
|
65
|
290
|
180
|
145
|
120
|
|
18
|
3
|
|
4-φ18
|
232
|
690
|
|
|
80
|
310
|
195
|
160
|
135
|
|
20
|
3
|
|
8-φ18
|
232
|
715
|
|
|
100
|
350
|
215
|
180
|
155
|
|
20
|
3
|
|
8-φ18
|
232
|
770
|
|
|
125
|
400
|
254
|
210
|
185
|
|
22
|
3
|
|
8-φ18
|
283
|
780
|
|
|
150
|
480
|
280
|
240
|
210
|
|
24
|
3
|
|
8-φ23
|
283
|
810
|
|
|
200
|
600
|
335
|
295
|
265
|
|
26
|
3
|
|
12-φ23
|
283
|
967
|
|
|
250
|
622
|
405
|
355
|
320
|
|
30
|
3
|
|
12-φ25
|
283
|
1143
|
|
|
300
|
698
|
460
|
410
|
375
|
|
30
|
4
|
|
12-φ25
|
283
|
1292
|
|
|
2.5
|
50
|
230
|
160
|
125
|
100
|
|
20
|
3
|
|
4-φ18
|
185
|
645
|
|
65
|
290
|
180
|
145
|
120
|
|
22
|
3
|
|
8-φ18
|
232
|
690
|
|
|
80
|
310
|
195
|
160
|
135
|
|
22
|
3
|
|
8-φ18
|
232
|
715
|
|
|
100
|
350
|
230
|
190
|
160
|
|
24
|
3
|
|
8-φ23
|
232
|
770
|
|
|
125
|
400
|
270
|
220
|
188
|
|
28
|
3
|
|
8-φ25
|
283
|
780
|
|
|
150
|
480
|
300
|
250
|
218
|
|
30
|
3
|
|
8-φ25
|
283
|
810
|
|
|
200
|
600
|
360
|
310
|
278
|
|
34
|
3
|
|
12-φ25
|
283
|
967
|
|
|
250
|
622
|
425
|
370
|
332
|
|
36
|
3
|
|
12-φ30
|
283
|
1143
|
|
|
300
|
698
|
485
|
430
|
390
|
|
40
|
4
|
|
16-φ30
|
283
|
1292
|
|
|
4.0
|
50
|
230
|
160
|
125
|
100
|
88
|
20
|
3
|
4
|
4-φ18
|
185
|
645
|
|
65
|
290
|
180
|
145
|
120
|
110
|
22
|
3
|
4
|
8-φ18
|
232
|
690
|
|
|
80
|
310
|
195
|
160
|
135
|
121
|
22
|
3
|
4
|
8-φ18
|
232
|
715
|
|
|
100
|
350
|
230
|
190
|
160
|
150
|
24
|
3
|
4.5
|
8-φ23
|
232
|
770
|
|
|
125
|
400
|
270
|
220
|
188
|
176
|
28
|
3
|
4.5
|
8-φ25
|
283
|
782
|
|
|
150
|
480
|
300
|
250
|
218
|
204
|
30
|
3
|
4.5
|
8-φ25
|
283
|
875
|
|
|
200
|
600
|
375
|
320
|
282
|
260
|
38
|
3
|
4.5
|
12-φ30
|
283
|
1160
|
|
|
閥體
|
閥蓋
|
閥瓣
|
密封圈
|
閥桿
|
填料
|
適用介質
|
適用溫度
(≤℃) |
|
WCB
|
WCB+D507MO
|
D577
|
2Crl3
|
柔性石墨
|
水、油品、蒸汽
|
425
|
|
|
ZGlCrl8Ni9Ti
|
0Crl8Ni9Ti
Stellite12 |
Stellite6
|
lCrl8Ni9Ti
|
PTFE
|
硝酸類
|
200
|
|
|
ZGlCrl8Ni2Mo2Ti
|
CF8M
Stellite12 |
lCrl8Ni2Mo2Ti
|
lCrl8Ni2Mo2Ti
|
PTFE
|
磷酸類、
堿類、混酸 |
200
|
|
|
ZG00Crl7Nil4M02
|
CF3M
Stellite12 |
Stel1ite6
|
316L
|
PTFE
|
磷酸類、
尿素、甲銨液 |
200
|
|
|
ZGlCr5MO
|
ZGlCr5MO
Stellite12 |
Stel1ite6
|
25Cr2Mo1VA
|
柔性石墨
|
水、油品、蒸汽
|
550
|
|