



產品描述:
手動反沖過濾器(DN50,全不銹鋼) 產品特點反沖排污過濾器適用于各種供水系統,工藝水系統及工業冷卻水系統,特別是24小時連續運行的不停機系統,可以濾去水中的各種機械雜質,確保系統設備的安全可靠運行。主要特點 1.過濾精度高:過濾精度范圍廣,d=0.5~1.2mm; 2.過濾水量大:該過濾器壓力損失小,處理水量大,可達7000m3/h; 3.使用壽命長:由不銹鋼楔形條狀濾網及優質碳鋼筒體組成; 4.綜合成本低:無需拆卸和更換濾網,使用壽命長達20年; 5.操作簡便效率高:無需接旁路,無需拆機清理,過濾反沖效果好。 工作原理 SKP24型反沖排污過濾器通常由優質碳鋼筒體,特殊結構的不銹鋼楔形濾網,水流導向閥及排污裝置所組成,如用戶特殊要求,也可制成全不銹鋼結構。當過濾器工作時,水流導向閥處于開啟狀態,水流由入口進入過濾器,經過濾網到出口。當過濾器需要排污時,關閉水流導向閥,打開排污閥,水流經濾網流入內側,部分水流由出口流入系統,剩余水流由濾網后半段外側流入內側,經排污口排出,起到反向自動沖洗濾網的作用。這樣整個沖洗過程系統可正常運行,無需停機。 水流導向閥的開啟機構分手動和電動兩種,當采用電動開啟機構時,過濾器進出口設有壓力傳感器,可根據前后壓差實現自動清洗排污,此時排污口裝電動球閥,水流導向閥和排污電動球閥實現聯動。技術參數: 通常工作壓力:≤1.6MPa 工作溫度:≤180℃ 壓損:≤0.115MPa 過濾精度:d=1.2mm 排污口DN:50 超過此范圍可根據用戶要求特殊制造
.jpg)
產品特點:
手動反沖過濾器(DN50,全不銹鋼)
產品特點
反沖排污過濾器適用于各種供水系統,工藝水系統及工業冷卻水系統,特別是24小時連續運行的不停機系統,可以濾去水中的各種機械雜質,確保系統設備的安全可靠運行。
主要特點
1.過濾精度高:過濾精度范圍廣,d=0.5~1.2mm;
2.過濾水量大:該過濾器壓力損失小,處理水量大,可達7000m3/h;
3.使用壽命長:由不銹鋼楔形條狀濾網及優質碳鋼筒體組成;
4.綜合成本低:無需拆卸和更換濾網,使用壽命長達20年;
5.操作簡便效率高:無需接旁路,無需拆機清理,過濾反沖效果好。
工作原理
SKP24型反沖排污過濾器通常由優質碳鋼筒體,特殊結構的不銹鋼楔形濾網,水流導向閥及排污裝置所組成,如用戶特殊要求,也可制成全不銹鋼結構。當過濾器工作時,水流導向閥處于開啟狀態,水流由入口進入過濾器,經過濾網到出口。當過濾器需要排污時,關閉水流導向閥,打開排污閥,水流經濾網流入內側,部分水流由出口流入系統,剩余水流由濾網后半段外側流入內側,經排污口排出,起到反向自動沖洗濾網的作用。這樣整個沖洗過程系統可正常運行,無需停機。
水流導向閥的開啟機構分手動和電動兩種,當采用電動開啟機構時,過濾器進出口設有壓力傳感器,可根據前后壓差實現自動清洗排污,此時排污口裝電動球閥,水流導向閥和排污電動球閥實現聯動。
技術參數:
通常工作壓力:≤1.6MPa
工作溫度:≤180℃
壓損:≤0.115MPa
過濾精度:d=1.2mm
排污口DN:50
超過此范圍可根據用戶要求特殊制造
技術指標:
手動反沖過濾器(DN50,全不銹鋼)
產品特點
反沖排污過濾器適用于各種供水系統,工藝水系統及工業冷卻水系統,特別是24小時連續運行的不停機系統,可以濾去水中的各種機械雜質,確保系統設備的安全可靠運行。
主要特點
1.過濾精度高:過濾精度范圍廣,d=0.5~1.2mm;
2.過濾水量大:該過濾器壓力損失小,處理水量大,可達7000m3/h;
3.使用壽命長:由不銹鋼楔形條狀濾網及優質碳鋼筒體組成;
4.綜合成本低:無需拆卸和更換濾網,使用壽命長達20年;
5.操作簡便效率高:無需接旁路,無需拆機清理,過濾反沖效果好。
工作原理
SKP24型反沖排污過濾器通常由優質碳鋼筒體,特殊結構的不銹鋼楔形濾網,水流導向閥及排污裝置所組成,如用戶特殊要求,也可制成全不銹鋼結構。當過濾器工作時,水流導向閥處于開啟狀態,水流由入口進入過濾器,經過濾網到出口。當過濾器需要排污時,關閉水流導向閥,打開排污閥,水流經濾網流入內側,部分水流由出口流入系統,剩余水流由濾網后半段外側流入內側,經排污口排出,起到反向自動沖洗濾網的作用。這樣整個沖洗過程系統可正常運行,無需停機。
水流導向閥的開啟機構分手動和電動兩種,當采用電動開啟機構時,過濾器進出口設有壓力傳感器,可根據前后壓差實現自動清洗排污,此時排污口裝電動球閥,水流導向閥和排污電動球閥實現聯動。
技術參數:
通常工作壓力:≤1.6MPa
工作溫度:≤180℃
壓損:≤0.115MPa
過濾精度:d=1.2mm
排污口DN:50
超過此范圍可根據用戶要求特殊制造
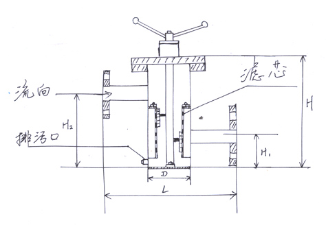
安裝尺寸表
| 公稱通徑DN(mm) | 尺寸(mm) | 管塞 | ||||
| L | H | H1 | H2 | D0 | ||
| 25 | 180 | 280 | 110 | 160 | 76 | R3/4〃 |
| 32 | 200 | 285 | 110 | 170 | 76 | R3/4〃 |
| 40 | 260 | 300 | 120 | 200 | 108 | R3/4〃 |
| 50 | 260 | 340 | 120 | 210 | 108 | R3/4〃 |
| 65 | 330 | 380 | 160 | 250 | 133 | R3/4〃 |
| 80 | 340 | 420 | 180 | 280 | 159 | R3/4〃 |
| 100 | 400 | 500 | 220 | 320 | 219 | R3/4〃 |
| 125 | 480 | 600 | 260 | 400 | 273 | R3/4〃 |
| 150 | 500 | 680 | 310 | 480 | 273 | R3/4〃 |
| 200 | 560 | 850 | 390 | 600 | 325 | R3/4〃 |
| 250 | 660 | 950 | 480 | 750 | 426 | M35X1.5 |
| 300 | 750 | 1250 | 640 | 950 | 478 | M35X1.5 |
| 400 | 850 | 1350 | 600 | 1050 | 530 | M35X2.0 |
| 500 | 1050 | 1450 | 640 | 1100 | 630 | M35X2.0 |
| 600 | 1380 | 1800 | 700 | 1200 | 800 | M35X2.0 |